|
RLSB2L/RLSB2M
Single-Ended Beam
Hermetically-sealed,
IP67, Alloy Steel/Stainless Steel with Blind Load Hole

Single-ended
beam designed as a replacement for Masstron®
cells, the RLSB2L series provides a cost-effective alternative.
The series features a unique patented blind load hole to increase
system accuracy. 1000, 5000, and 10,000 lb versions are constructed
of stainless steel; 20,000, 35,000, and 45,000 lb are epoxy
coated alloy steel. Capacities from 1000 to 5000 lb (453.6 to
2268.0 kg) with 10' (3.1m) of load cell cable; 10,000 to
20,000 lb (4535.9 to 9071.9 kg) with 15' (4.6m) of load
cell cable; 35,000 to 45,000 lb (15,875.7 to 20,411.9 kg) with
30' (9.2m) of load cell cable.
|
|
RLSB2L 1000-35,000 lb / 453.6-15,875.7
kg
|
RLSB2M
45,000 lb / 20,411.7 kg |
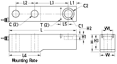
Rated
Capacity |
C |
C1 |
C2 |
H |
H1 |
H2 |
H3 |
L |
L1 |
L2 |
L3 |
L4 |
L5 |
W |
W1 |
T |

lb/inches |
| 1000-5000 |
.53 |
.62 |
1.25 |
1.43 |
1.18 |
.34 |
- |
8.00 |
.87 |
2.50 |
3.87 |
4.00 |
.75 |
1.43 |
1.00 |
8-32x.37DP |
| 10,000 |
.84 |
.87 |
1.50 |
1.70 |
1.08 |
.39 |
- |
9.25 |
.87 |
2.62 |
4.87 |
4.62 |
.87 |
1.68 |
1.12 |
10-32x.37DP |
| 20,000 |
1.06 |
1.25 |
1.87 |
2.37 |
.81 |
.37 |
- |
11.00 |
1.25 |
3.25 |
5.50 |
5.50 |
1.25 |
2.37 |
1.75 |
10-32x.37DP |
| 35,000 |
1.31 |
1.50 |
2.12 |
2.75 |
.95 |
.37 |
- |
12.50 |
1.50 |
3.50 |
6.25 |
6.00 |
1.37 |
2.75 |
2.00 |
10-32x.50DP |
| 45,000 |
1.31 |
1.50 |
2.12 |
3.22 |
.95 |
.37 |
2.75 |
12.50 |
1.50 |
3.50 |
6.25 |
5.84 |
1.37 |
2.75 |
2.00 |
10-32x.50DP |

kg/millimeters |
| 453.6-2268.0 |
13.5 |
15.8 |
31.8 |
36.3 |
30.0 |
8.6 |
- |
203.2 |
22.1 |
63.5 |
98.3 |
101.6 |
19.1 |
36.3 |
25.4 |
8-32x9.4DP |
| 4535.9 |
21.3 |
22.1 |
38.1 |
43.2 |
27.4 |
9.9 |
- |
235.0 |
22.1 |
66.6 |
123.7 |
117.4 |
22.1 |
42.7 |
28.5 |
10-32x9.4DP |
| 9071.9 |
26.9 |
31.8 |
47.5 |
60.2 |
20.8 |
9.4 |
- |
279.4 |
31.8 |
82.6 |
139.7 |
139.7 |
31.8 |
60.2 |
44.5 |
10-32x9.4DP |
| 15,875.7 |
33.3 |
38.1 |
53.9 |
69.9 |
24.1 |
9.4 |
- |
317.5 |
38.1 |
88.9 |
158.8 |
152.4 |
34.8 |
69.9 |
50.8 |
10-32x12.7DP |
| 20,411.7 |
33.3 |
38.1 |
53.9 |
81.8 |
24.1 |
9.4 |
69.9 |
317.5 |
38.1 |
88.9 |
158.8 |
148.3 |
34.8 |
69.9 |
50.8 |
10-32x12.7DP |
 |
|