RL39123 Single-Ended Beam, Stainless Steel
Bar

Single-ended beam in stainless steel. Designed for low-profile scales and process applications. Capacities from 250 to 15,000 lb (113.4 to 6803.9 kg). Complete with 20' (6.1m) of load cell cable.

spacer spacer
Photo

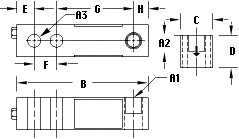
Dimensional Drawing

 

Rated
Capacity
A1 A2 A3 B C D E F G H
Bar
lb/inches
250-4000 1/2-20 UNF-2B  .60  .53 5.12 1.25 1.25  .62 1.00 3.00  .50
5000-10,000 3/4-16 UNF-2B  .75  .78 6.75 1.50 1.50  .75 1.50 3.75  .75
15,000-20,000 1-12 UNF-2B 1.00 1.03 8.75 2.00 2.00 1.00 2.00 4.75 1.00
Bar
kg/millimeters
113.4-1814.4 1/2-20 UNF-2B 15.2 13.5 130.1 31.8 31.8 15.8 25.4  76.2 12.7
2268.0-4535.9 3/4-16 UNF-2B 19.1 19.8 171.5 38.1 38.1 19.1 38.1  95.3 19.1
6803.9-9071.9 1-12 UNF-2B 25.4 26.2 222.3 50.8 50.8 25.4 50.8 120.7 25.4
Bar
 

Single-Ended Beams | Double-Ended Beams
Single Points | S-Beams | Compression Canisters |
Sensors


 

© Copyright 2003 Rice Lake Weighing Systems
2007 DKL ltd.
Контактная информация