|
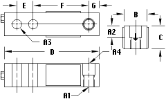
RL35023S
Single-Ended Beam, Stainless Steel
NTEP 1:5000 Class
III Multiple Cell, IP67

Single-ended
beam offers stainless steel construction for corrosion resistance.
Designed for low-profile scales and a variety of process applications.
Capacities from 1000 to 10,000 lb (453.6 to 4535.9 kg). Complete
with 20' (6.1m) of load cell cable.
|