RL20000 S-Beam, Alloy Steel
Bar

Ideally suited for scale conversions and general-purpose weighing. Compact and rugged design. Capacities from 25 to 20,000 lb (11.3 to 9071.0 kg). Complete with 20' (6.1m) of load cell cable.

spacer spacer

RL20000 S-Beam, Alloy Steel

 

 

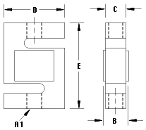
Dimensional Drawing

 

Rated
Capacity
A1 B C D E
Bar
lb/inches
25-300   1/4-28 UNF-2B  .75  .50 2.00 2.50
500-1500   1/2-20 UNF-2B 1.00  .75 2.00 2.50
2000-2500   1/2-20 UNF-2B 1.25 1.00 2.00 2.50
3000   1/2-20 UNF-2B 1.25 1.00 3.00 4.00
5000-10,000   3/4-16 UNF-2B 1.25 1.00 3.00 4.00
15,000    1-12 UNF-2B 1.50 1.25 4.00 5.50
20,000 1 1/4-12 UNF-2B 2.25 2.00 5.00 7.00
Bar
kg/millimeters
11.3-136.1   1/4-28 UNF-2B 19.1 12.7 50.8 63.5
226.8-680.4   1/2-20 UNF-2B 25.4 19.1 50.8 63.5
907.2-1134.0   1/2-20 UNF-2B 31.8 25.4 50.8 63.5
1360.8   1/2-20 UNF-2B 31.8 25.4 76.2 101.6
2268.0-4535.9   3/4-16 UNF-2B 31.8 25.4 76.2 101.6
6803.9    1-12 UNF-2B 38.1 31.8 101.6 139.7
9071.9 1 1/4-12 UNF-2B 57.2 50.8 127.0 177.8
Bar
 


Single-Ended Beams | Double-Ended Beams
Single Points | S-Beams | Compression Canisters | Sensors


 

© Copyright 2003 Rice Lake Weighing Systems
2007 DKL ltd.
Контактная информация