|
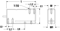
RLMK4
Single Point, Alloy Steel/Stainless Steel

With capacities
range from 10 to 100 lb (4.5 to 45.3 kg), these load cells are
plated and have special moisture-resistance encapsulants for
damp environments. Interchangeable with NCI® Model MK4.
Integral 10' (3.1m) cable.
|