|
RL8C2P1SS
Compression Canister, Stainless Steel

Single-column
design with low deflection, hermetically sealed for trouble-free
operation. Stainless steel for use in harsh environments. Compact
and rugged. Capacities from 50,000 to 200,000 lb (22,679.6 to
90,718.5 kg). Complete with 35' (10.7m) of load cell cable.
|
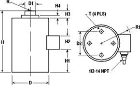
Rated
Capacity |
D |
D1 |
D2 |
H |
H1 |
H2 |
R |
T |

lb/inches |
| 50,000 |
4.50 |
1.25 |
2.38 |
7.50 |
1.17 |
.75 |
8.00 |
3/8-24
UNF-2B x .63 D |
| 100,000 |
5.75 |
1.75 |
4.00 |
9.13 |
2.00 |
.87 |
12.00 |
1/2-20
UNF-2B x .75 D |
| 200,000 |
7.50 |
2.50 |
5.50 |
11.63 |
2.93 |
.97 |
12.00 |
5/8-18
UNF-2B x 1.00 D |

kg/millimeters |
| 22,679.6 |
114.3 |
31.8 |
60.5 |
190.5 |
29.7 |
19.1 |
203.2 |
3/8-24
UNF-2B x 9.7 D |
| 45,359.2 |
146.1 |
44.5 |
101.6 |
231.9 |
50.8 |
22.1 |
304.8 |
1/2-20
UNF-2B x 19.1 D |
| 90,718.5 |
190.5 |
63.5 |
139.7 |
295.4 |
74.4 |
24.6 |
304.8 |
5/8-18
UNF-2B x 25.4 D |
 |
|